Product Name: Proportional Valve
Product Type: FRP07, FRP07P, FRP07E
Application: Laser Cutting Machine Cutting Assist Gas Control
Product Features:
The FRV07 proportional valve features high precision, high airflow rate, and rapid dynamic response, making it suitable for a wider range of application requirements.
The FRV07 proportional valve features high precision, high airflow rate, and rapid dynamic response, making it suitable for a wider range of application requirements. With dual solenoid control, the valve utilizes two sets of spool assemblies to independently regulate the intake and exhaust within the valve chamber, thereby enhancing the overall sensitivity of the valve.
Technical Data for FRV07
| Medium | Compressed air/Inert gas | Medium Temperature | 0~60℃ | Ambient Temperature | 0~60℃ | Operating Voltage | DC 24V |
| Inlet Port | G3/8 | Outlet Port | G3/8 | Exhaust Port | G3/8 |
Protection Rating (IP Rating) |
IP65 |
|
Proportional Valve Diameter |
7mm | Control Mode | Analog0-10V | Power Consumption | max.34W | Flow Rate | 2000 L/min |
| Max Operating Pressure | 29bar |
Pressure Adjustment Range |
0-28bar | Pressure Fluctuation | 5% | Repeatability | 0.5% |
Flow Rate Curve

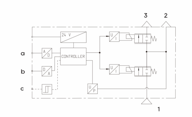
Functional Diagram

Technical Data for FRP07P
| Medium | Compressed air/Inert gas | Medium Temperature | 0~60℃ | Ambient Temperature | 0~60℃ | Operating Voltage | DC 24V |
| Inlet Port | G3/8 | Outlet Port | G3/8 | Exhaust Port | G3/8 |
Protection Rating (IP Rating) |
IP65 |
|
Proportional Valve Diameter |
7mm | Control Mode | Profinet(supports external loop control) | Power Consumption | max.34W | Flow Rate | 2000 L/min |
| Max Operating Pressure | 29bar |
Pressure Adjustment Range |
0-10bar | Pressure Fluctuation | 5% | Repeatability | 0.5% |
*When the inlet pressure is 9 bar, the requlated pressure is 8 bar, and △p = 0.5 bar,the flow rate is 1000 L/min
Flow Rate Curve

Functional Diagram

Technical Data for FRP07E
| Medium | Compressed air/Inert gas | Medium Temperature | 0~60℃ | Ambient Temperature | 0~60℃ | Operating Voltage | DC 24V |
| Inlet Port | G3/8 | Outlet Port | G3/8 | Exhaust Port | G3/8 | Protection Rating (IP Rating) |
IP65 |
| Proportional Valve Diameter |
7mm | Control Mode | EtherCAT (supports external loop control) | Power Consumption | max.34W | Flow Rate | 2000 L/min |
| Max Operating Pressure | 29bar | Pressure Adjustment Range |
0-10bar | Pressure Fluctuation | 5% | Repeatability | 0.5% |
*When the inlet pressure is 9 bar, the requlated pressure is 8 bar, and △p = 0.5 bar,the flow rate is 1000 L/min
Flow Rate Curve

Functional Diagram







