Наименование на продукта: Изборен клапан
Тип: FRV07-2, FRV07-3
Приложение: Машина за лазерно рязане
Среда: Компресиран въздух/Инертен газ
Соленоиден клапан с директно действие Максимално налягане: 30 Bar
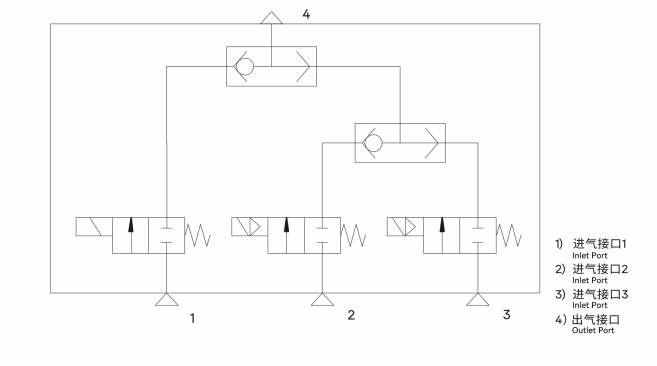
Клапан за избор на лазерно рязане е специализиран клапан, използван в лазерни машини за рязане, който регулира потока на помощни газове, като азот, кислород или компресиран въздух, към рязещата глава.


Технически данни
|
Среден |
Компресиран въздух/Инертен газ |
Температура на медиума |
0..60℃ | Температура на околната среда | 0...60℃ | Работно напрежение | DC 24V |
|
Входен порт |
G3/8 | Изходен порт | G3/8 |
Степен на защита (IP Класиране) |
IP65 |
Вентил с пряко действие Диаметър на клапаните |
3 мм |
|
Вентил с пряко действие Максимално налягане на клапана |
30 бара |
Вентил с пряко действие Мощност на клапана |
18W |
Пилотен соленоиден клапан Диаметър |
10mm |
Максимално налягане на пилотния соленоиден клапан Налягане |
30 бара |
| Мощност на пилотния соленоиден клапан | 18W | Диаметър на шутл клапана | 7.2mm | Максимално налягане на шутл клапана | 30 бара |
Функционална схема








