제품 이름: 비례 밸브
제품 유형: FRP07, FRP07P, FRP07E
적용 분야: 레이저 절단기 절단 보조 가스 제어
제품 특징:
FRV07 비례 밸브는 높은 정밀도, 높은 공기 유량 및 빠른 동적 응답 특성을 갖추고 있어 다양한 응용 요구 사항에 적합합니다.
FRV07 비례 밸브는 높은 정밀도, 높은 공기 유량 및 빠른 동적 응답 특성을 갖추고 있어 다양한 응용 요구 사항에 적합합니다. 이중 솔레노이드 제어 방식을 채택한 본 밸브는 스풀 어셈블리 두 세트를 사용하여 밸브 챔버 내의 흡입과 배기를 독립적으로 조절함으로써 밸브 전체의 감도를 향상시킵니다.
FRV07 기술 데이터
| 중간 | 압축 공기/불활성 가스 | 매체 온도 | 0~60℃ | 주변 온도 | 0~60℃ | 작동 전압 | 직류 24V |
| 입구 포트 | G3/8 | 출구 포트 | G3/8 | 배기 포트 | G3/8 |
보호 등급(IP 등급) |
IP65 |
|
비례제어밸브 직경 |
7mm | 제어 모드 | 아날로그 0-10V | 전력 소비 | 최대 34W | 유동률 | 2000 L/min |
| 최대 작동 압력 | 29bar |
압력 조절 범위 |
0-28bar | 압력 변동 | 5% | 반복성 | 0.5% |
유량 곡선

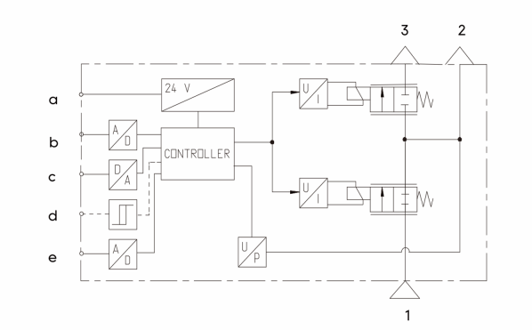
기능 다이어그램

FRP07P 기술 데이터
| 중간 | 압축 공기/불활성 가스 | 매체 온도 | 0~60℃ | 주변 온도 | 0~60℃ | 작동 전압 | 직류 24V |
| 입구 포트 | G3/8 | 출구 포트 | G3/8 | 배기 포트 | G3/8 |
보호 등급(IP 등급) |
IP65 |
|
비례제어밸브 직경 |
7mm | 제어 모드 | Profinet(외부 루프 제어 지원) | 전력 소비 | 최대 34W | 유동률 | 2000 L/min |
| 최대 작동 압력 | 29bar |
압력 조절 범위 |
0-10바르 | 압력 변동 | 5% | 반복성 | 0.5% |
*입구 압력이 9 bar이고, 조정 압력이 8 bar, △p = 0.5 bar일 때, 유량은 1000 L/min입니다
유량 곡선

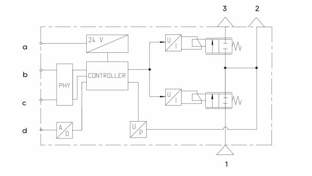
기능 다이어그램

FRP07E 기술 데이터
| 중간 | 압축 공기/불활성 가스 | 매체 온도 | 0~60℃ | 주변 온도 | 0~60℃ | 작동 전압 | 직류 24V |
| 입구 포트 | G3/8 | 출구 포트 | G3/8 | 배기 포트 | G3/8 | 보호 등급(IP 등급) |
IP65 |
| 비례제어밸브 직경 |
7mm | 제어 모드 | EtherCAT (외부 루프 제어 지원) | 전력 소비 | 최대 34W | 유동률 | 2000 L/min |
| 최대 작동 압력 | 29bar | 압력 조절 범위 |
0-10바르 | 압력 변동 | 5% | 반복성 | 0.5% |
*입구 압력이 9 bar이고, 조정 압력이 8 bar, △p = 0.5 bar일 때, 유량은 1000 L/min입니다
유량 곡선

기능 다이어그램







